رایانامه ی ما

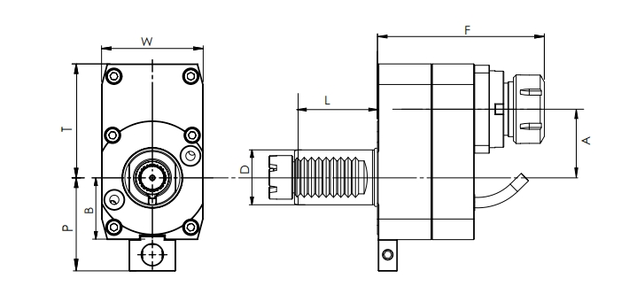
سر ضربه ، انحراف ، STEPPED HAAS

خرید سر ضربه ، انحراف ، STEPPED HAAS

تصوير شناسايي در مورد ...

تصوير شناسايي در مورد ...

اندازهوین آیکالتهاافلL1پی"ت"رونامRPMخنک شدن)جهت
VDI40-DOAER25-50-63 HAASچهلER25پنجاه10663140.85.82.۹۰78

نه
چپ
VDI40-DOAER25K-50-63 HAASچهلER25پنجاه10663140.85.82.۹۰78

بله
چپ
VDI40-DOAER 25-50-63L HAASچهلER25پنجاه10663117.5582.۹۰78

نه
چپ
VDI40-DOAER25K-50-63L HAASچهلER25پنجاه10663117.5582.۹۰78

بله
چپ
VDI40-DOAER 25-50-63EL HAASچهلER25پنجاه10663130.2582.۹۰78

نه
چپ
VDI40-DOAER25K-50-63EL هاسچهلER25پنجاه10663130.2582.۹۰78

بله
چپ


. . . .
نشانی:
253000، خيابون پنجم چونگد، گاوتي نيو، دزو، شاندانگ
درباره ي بزرگت رو بگير
ابزارهای روشن ، آینده روشنی
پست الکترونیکی :
Sales@bright-tools.com
تلفن :
86-534-8127588
مسابقه:
86-18865728871
نشانی :
253000، خيابون پنجم چونگد، گاوتي نيو، دزو، شاندانگ
پیوندهای سریع
شرکت خانه نگهبانان ابزار CNC ویدئو ها درباره بریگت BT به سازگار PSC فهرست ۲۰۲۵- بلندی نگهبانان ابزار DIN69880- VDI نگهبانان ابزار MorseName نگهبانان ابزار خسته کننده سازگار SK به PSC سازگار HSK به PSC دستگاه ماشين رو کوچک کردن، استاندارد نگهبانهاي ابزار "بيMT" چي هستن؟ AG90 اگوی حذف ابزار چرخش حذف ابزار چرخش توي سهام در دسترس روانشناسي EMO هانوفر-2023_ کپی 20241033 محصولا اورژانس کالت چاک با آم نات کالت چاک با UM نات MTA مورس تاپر اورژانس کالت چاک اورژانس کالت پرونده ی بیت B1A شعاعی ، کوتاه ، خنک کننده دانشگاه 69871 کالت چاک با UM نات آ انس بی ۵.50 کالت چاک با UM نات DIN 69893 (ISO 12164) HSK-E ER کالت چاک کالت چاک با مینی نات مقدار ابزار چرخش BMT OD هواپیمای بار خسته کننده های اچ اسکیت کالت چاک اورژانس کالت چاک بدون درايو اسلوت با هکس نات JIS B 6339 مقدس ابزار خسته کننده ار اسپانر- هکس انتخاب سازنده ی ابزار MTB Morse تاپر ER کالت چاک کاهش آستين براي خسته کننده باري AG90-ER11. چگونه آماده سازهای SLA را قفل کنید هدايت ابزار چند تا روش دستبند؟ چرا اينقدر گرونه؟ نگهبانان ابزارهای روشنگر تطبیق دارنده ی دیگر ابزار برداشت می شوند . . . زمان نصب نگه دار فرایند عملیات ماشین گرمایی این ویدیو یه توضیح جزئیات از ماشین تمیز کننده ی ابزارمونه دو قطعه بیت استیم بی تی چاچ چاک، سه درجه، اسلیم، فرم A بی تی چاچ چاک، سه درجه، اسلیم، فرم B بی تی چاچ چاک ، ۳ درجه ، منظم ، فرم A HSK-A شرچ چاک، 3 درجه منظم، فرم A بی تی چاچ چاک ، 3 درجه ، منظم ، فرم B بی تی چاچ چاک ، 3 درجه ، عادی ، خنک کننده هدف تجهيزات تجهيزات تگري پسوند کوچک چهره میل محصولا ابزارهای آماده و گردشده کمک فنی نگهبانان ابزار BRIGHT-TOOLS کالت دستیابیهای نگهبانان ابزار خسته کننده نگهبانان ابزار خنک کننده DIN69880- VDIName ابزارهای ۲۰۲۵- BT کوچک کردن ماشین ، خنک شدن نگهبان ابزار DIN69880- VDIName اورژانس کالت چاک با هکس نات BT40 SFS 061603 نگهبانان ابزار CNC/نگهبانان ابزار IR مجموعه کالت اورژانس تحصیل SK MTA Morse Taper OZ کالت چاک کالت چاک با هکس نات انس بی 5.50 کالت چاک با هکس نات DIN 69893 (ISO 12164) کالت چاک با UM نات کالت چاک با هکس نات B2A شعاعی ، کوتاه ، خنک کننده ابزارهای چرخش HSK・T برای خارجی و روش اورژانس کالت چاک بدون اسلوت درايو با ام اس نات رئیس رادیویی بی ام، DIN 1809 نگهبان ابزار خسته کننده DIN 69871 هکس اورژانس اسپانر-ميني نگهبانان ابزار استاندارد ترولی نگه دار ابزارName MTB Morse Taper OZ کالت چاک کاهش ضربه برای حذف بار خسته کننده SL40-20 دستگاه قفل کردن برای ۷/۲۴ و دارای ابزارهای تبکین HSK AG90-ER6 AG90-ER2 AG90-ER22 AG90-ER32. AG90-ER400 AG90- BT30 AG90-BT40 AGB-B44 AG90-BT50 AG90-ER16X2 AG90-ER20X2 AG90-ER25X2 AG90-ER32X2 AG90-ER40X2 AG90-BT40X2 AG90-F50 AG90-F6 AG90-F80 AG90-F100 آگو-یر اگو-ر-۲۰ AGU-ER2 AGU-ER32. AGU-BT50 می خواهید از نگهبانان ابزارتان درخشید؟ برگزیدن دستگاههای پاک سازی ما فرایند عملیات ماشین کوچک کردن گرمایی کوچک کردن پسوند چاک اچ اسکی-A شاچک چاک، 3 درجه ، اسلیم، فرم A اچ اسکا-A شاچک چاک، سه درجه، اسليم، فرم ي HSK-E شرچ چاک، 3 درجه منظم، فرم A اچ اسکا-A چاک، 3 درجه منظم، فرم B سود ها شرکت ابزارهای خسته کننده ! اخبار شد دست روباتي اينجاست آموزش کشید مقدار ابزار BMT ابزارهای ۲۰۲۵- SK نگهبان ابزار آدات پرر کوچک کردن ماشین ، خنک شدن استاندارد معرفی سایر ابزارهای گرمان آزمایش کشیدن ISO 7388 MTA Morse Taper نگهبانان میل قالب نفوذ شعاعی B1 راست ، کوتاه اورژانس کالت چاک با ميني نات دانشگاه 69871 کالت چاک با مینی نات DIN 69893 (ISO 12164) DIN2080 Power میلینگ چاک B3A شعاعی ، کوتاه ، خنک کننده ابزارهای HSK・T برای خارجی و خاموش کالت چاک اورژانس کالت چاک بدون اسلوت درايو با UM نات بلوک ابزار چرخش BMT DIN 69893 HSK-A کالت رو مهر کرده اورژانس نیت مینی ار اسپانر-م انتخاب سازنده ی ابزار نوع CName ایستگاه هزینه ابزار دستگاه قفل کردن برای دارای ابزارهای ۷/۲۴ تپر نگهبانهای شناسایی MTB فرایند عملیات دستگاه پاک سازی مقدس ابزارName کالت چاک با ميني نات انس بی 5.50 کالت چاک ماشین کوچک کردن گرما شیرین شیشه شکسته آینده ی ابزار فلانج اورژانس کالت چاک ، مدل بی تی چچ فیت چاک 4.5 °. بی تی اسلیم چچ فیت چاک ۳ درجه ی اچ اسکي چاک، 3 درجه، اسليم، فرم اچ اسکي چاک، 3 درجه، اسليم، فرم ي HSK-F شرچ چاک، 3 درجه منظم، فرم A HSK-E-shrink چاک، 3 درجه منظم، فرم B وی دی دی ۱۸۸۹ ابزارهای چرخش برای خارجی و روش BBT شرکت چاک فیت چاک 4.5 °. آزمایش محصوت خدمات ها دستیابیهای هزینه ابزار دستگاه پاک سازی مقدس ابزار ابزارهای 2025- CAT کالت نات آقاي کولات کوچک کردن ماشین ، خنک شدن استاندارد روانپزشک چاک 4.5 °. محصول هیدرولیک چاک سر خسته کنندهٔ خوبی قله ي خشن سرخکننده ، SP/Sc مطالعه کش CATName قالب نگهبان شعاعی B2 چپ ، کوتاه ابزارهای HSK・T را چرخش SBN برای خارجی و روش کالت چاک قلعه ي قله ي خسته کننده ، مرکز سي . B4A شعاعی ، کوتاه ، خنک کننده ابزارهای چرخش SBT برای خارجی و روش مقدار ابزار چرخش صورت BMT نگهبان ابزار خسته کننده DIN 69893 HSK-F MTB MTB ارتش اسپانر انواع DD منفجر کنندگان ابزار محفظۀ حذف ابزارName هیدرولیک چاک HSK-F استاندارد دستگاه پاک سازی مقدس ابزار کوتاه کالت چاک ‫دین 69871 کالت چاک، کوتاه بی تی چچ فیت چاک 4.5 °، خنک کننده SK Slim Shrink Fit چاک ۳ درجه ۳ HSK-F شرچ چاک، سه درجه، اسليم، فرم A HSK-F شرچ چاک، 3 درجه، اسليم، فرم B سرپرست رادیوایی VDI، DIN 1809 ساختار محصوت ساختار محصوت ساختار محصوت حلها ضد ضلعی ویژگیهای هیدرولیک ابزارهای ۲۰۲۵- HSK- A کالت اسپانر دستگاه پاک سازی مقدس ابزار محصولا هیدرولیک چاک، استاندارد برق پای میلینگ چاک ابزارهای مقدس ابزار CNC را کوچک کردن پایان پایان یافتن هیدرولیک ابزار CNC BRIGHT-TOOLS آموزش کش OTT هوک اسپانر شکل نفوذ شعاعی B3 معکوس شدۀ راست ، کوتاه DIN 69871 Power میلینگ چاک ANSI B5.50 قدرت میلینگ چاک DIN 69893 (ISO 12164) DIN2080 B1B4A شعاعی ، کوتاه ، خنک کننده کالت چاک نگهبانان میله خسته کننده BMT JIS B 6339 پناهنده ابزار خسته کننده پلی گير نات انواع زدایی Z کِلِت ، ريچيد ترولی نگه داشتن ابزار TL نگه داشتن ابزار پسوند هزینه ابزار خسته کننده نوع حفاظت کردن مقدمات ابزاری TD ترولی نگه داشتن ابزار راه کوچک مجرای MQL1 SK Shrink Fit Chuck 4.5 ° 4.5 HSK-A اسلیم شرچ فیت چاک 3 درجه ی ویژه هدایت اکسیال، انحراف، DIN 1809 ماشین جمع کردن نگه دار ابزار اندازه استاندارد هیدرولیک چاک ابزارهای ۲۰۲۵- HSK- TName کاهش بار خسته کننده ویژگیهای هیدرولیک چاک چهره ی خرابی بریگت بسته ابزار نگه دارنده BRIGHT-TOOLS CNC آزمایش کشیدن ISO اسپانر توپ قالب نگهبان شعاعی B4 معکوس شده چپ ، کوتاه نَت مهر و مهر ار اوز کالت چاک DIN2080 رادیویی B1B4AK ، کوتاه ، سرد کننده ، هدایت کننده های ویژه هیدرولیک چاک، استاندارد هدايت بار خسته کننده ي BMT، نژاد داخلي و خارجي ام.تی.آ.ام.آ.ا. مستقیم شانک DIN 69871 ابزار خسته کننده پلی DIN 69893 کاهش دهنده ابزار خسته کننده برق پای میلینگ چاک SK Power میلینگ چاک برق ميلينگ چاک پیچیدن کانال MQL2 جای چاک SK شرچ فیت چاک 4.5 °، خنک کننده اچ اسکي اسليم چچ فيت چاک 3 درجه ي کوچک کردن پسوند چاک سرپرست رادیوایی VDI ، انحراف ، DIN 1809 فهرست پاک هیدرولیک قدرت میلینگ چاک ابزارهای 2025- NTName فشردن نگهبانان ابزار دستگاه های پاک سازی مقدس ابزار ذخیره کننده ابزار تپیر اسلیم شرک فیت چاک، 3 درجه ی مطالعه ي کشش مازاک شکل B5 نفوذ شعاعی راست ، بلند ، تي جي کالت چاک DIN2080 Welدون انتهای هدایت کننده های بیل B2B3A شعاعی ، کوتاه ، خنک کننده استاندارد ابزار چرخش HSK-T DCLNR | DCLNL ۹۵ درجه / ۸۰° دوقلو کوتوله خسته کننده دانشکده ی اورژانس اوز نات BSB90° نگهبان خسته کننده با بیت خسته کننده TQC 45° خسته کننده با بیت خسته کننده آموزش کش CAT مازاک CAT شرچ فیت چاک 4.5 °. سرپرست حرکت وی آکسالی، DIN 5480 FAQ تیم فروشی ابزارهای 2025- GOSTName دستگاه قفل کردن مقدس ابزار اصول کاری از دسترسی ابزار هیدرولیک گرداننده ابزار MOD نگهبان ابزار خسته کننده قسمت هاي سي انC BRIGHT-TOOLS سر خسته کننده پل روپ شکل نفوذ شعاعی B6 چپ ، طول ، کلت چاک DIN 69871 اوز کالت چاک DIN2080 مورس تپر رادیویی B2B3AK ، کوتاه ، سرد کننده ، هدایت کننده های ویژه پسوند ۳ درج SK هیدرولیک چاک استاندارد ابزار چرخش HSK-T PCLNR | PCLNL ۹۵ درجه / ۸۰° اسکس کوچک خسته کننده میله ی میکرو بورینگ کیت ابزار خسته کننده BH2084 کیت خسته کننده DCK5-FB50P کیت خسته کننده DCK6-FB50P CAT شرچ فیت چاک 4.5 °، خنک کننده دو قطعه بی تی اسلیم کوچیک جای چاک سرپرست رادیویی VDI ، DIN 5480 اچ اسکا-A شاچک چاک، 3 درجه منظم اخبارها سر زاویه ابزارهای 2025- VDI JIS B 6339- BT نمایش ابزارهای ماشین ۲۰۱۹ کپلک زبون HSK ویژگی های دو بدن روچن پیچیدن پیچیدن چاک قدرت میلینگ چاک کوچک فیت چاک دستیابیهای ابزار ماشین CNC شکل B7 معکوس شده راست ، بلند ، آ انس بی ۵.۵۰ ی گی کالت چاک قرارداد تجهیزات مورس با میله ترسیم DIN2080Name B5AK راديويي ، طولاني ، سرد کننده ، نگهبان هاي ضربه ابزار چرخش HSK-T ضربه ی ضربه ی اورژانس کالت هیدرولیک چاک، اسلیم اچ اسکی-A شرک فیت چاک 4.5 °. ویژگی های اکسیل اچ اسکي چاک ، 3 درجه ، عادي ، خنک کننده اچ اسکا-F چاک چاک ، 3 درجه ، منظم آشنای ما PSC نگهبانان ابزار JIS B 6339- BT نمایشگاه های "بریگت" تو سال 2018 حلقۀ گردانندۀ کلوچ اصول کاری فیت چاک کوچک "بِبِتِسِسِسِسِسِسِسِسِسِسِسِسِي جمع کردن ابزار اندازه مستقیم شانک کالت شکل نفوذ شعاعی B8 معکوس شده چپ طول ، آ انس بی ۵۵۰ اسپیچی دقیقه کالت چاک نگهبانهای ابزار DIN2080 B6AK راديويي ، طولاني ، سرد کننده ، نگهبان هاي ضربه کوچک کردن کاملات ابزار چرخش HSK-T SK هیدرولیک چاک، اسلیم قدرت میلینگ چاک اچ اسکا-A شرک فیت چاک 4.5 °، خنک کننده سرآیند شعاعی VDI ، انحراف ، DIN 5480 راه های صنعتی نگهبانان ابزار JIS B 6339- NBT چطور ميشه دقت روي نگه داشتن ابزارها رو آزمايش کني؟ نمایشگاه های "بریگت-تولز" در سال 2017. ابزارهای ۲۰۲۵-BMT نگه داشتن گشت نگهبان های بی بی بی بی بی بی. ابزار مقدس ابزار CNC اوز کالت شکل نگهبان Axial C1 راست DIN 69871 اسکس کالت چاک ANSI B5.50 چهره ی ملل اینچ DIN2080 راديويي ، طولاني ، سرد کننده ي زمين پسوند جمع کردن جمعیت ER CAT هيدروليک، اسليم اچ اسکی-E فیت چاک 4.5 ° اف. سرپرست حرکت ویژه ، DIN 5422 نتایج جستجو راه حل مشتری نگهبانان ابزار DIN 69871- SK سفر سالانه ابزارهای بیست ۲۰۲۵ کیت های ۵۸ PCS گام های عملیات بارگذاری نظارتی ابزار روانپزشک به عنوان زیر هست نگهبان های صدای کمبی بی بی بی بی بی بی بی بی بی بی. اسکس کالت شکل C2 چپ کالت چاک بکش عقب DIN 69871 DIN2080 آکسال C1C4A ، خنک کننده تنظیمات چاک کوچک ابزار چرخش HSK-T PDJNR | PDJNL 55°/93° هیدرولیک، اسلیم اچ اسکی-F فیت چاک 4.5 ° اف سرپرست رادیو VDI ، DIN ۵۴۲۲ سایت محصولات جديد ابزارهای 2025- SRINk نگهبانان ابزار DIN 69871- IO حمل کنندۀ داده بالف CNC راچنچي NDC کالت شکل نگهبان اکسیال C3 معکوس شده راست اسکس کالت چاک DIN 69871 صدای کمبی شل ANSI B5.50 پایان میل هدر DIN2080 C1C4AK Axial, Coolant, نگهبان های ضربه بدن دو قطعه سلول کوچک چاک ابزار چرخش HSK-T DDNNN 62.5 ° / 55 C هیدرولیک چاک، اسلیم سرآیندهای ماشین ، انحراف ، DIN ۵۴۲۲ 404 نگهبانان ابزار ANSI B5.50 SCAT/CAT خروج بهار ترونی نگه دارنده های ابزار ابزارهای ۲۰۲۵- HY بی بی بی ولدون شکل نگهبان اکسیال C4 معکوس شده چپ DIN 69871 پایان میل هولدن C2C3A آکسالی ، خنک کننده توسعه ۲ قطعه شیرین چاک چاک چهره هتلدر اینچ ANSI B5.50 پایان میلر با کانال های لزوم ابزار چرخش HSK-T PDNNN 62.5 ° / 55 کالت DC BT هیدرولیک ، طراحی قدرتی سر گیرندۀ شعاعی VDI ، انحراف ، DIN ۵۴۲۲ سیاست خصوصی DIN 69893 (ISO 12164) نگهبانان ابزار HSK-A نمایشگاه های بریگت نگهبان ابزار گردانه ابزارهای بیست ۲۰۲۵ چهره میل آداپتور با تانگ راه کوچک کردن مقدس نگه دارندگان ابزار اندازه ما ميتونيم حدود 30 هزار تا 50 هزار نفر از ابزار در هر ماه توليد کنيم نگهبان مستطیل با شکل D1 DIN 69871 انتهای ابزار میل با کانال های زود ANSI B5.50 مورس تپر چاک ، 3 درجه ، اسليم ، فرم A ابزار چرخش HSK-T DDUNR | DDUNL 93 ° / 55 کالت بدون کلوث چاک هیدرولیک SK ، طراحی قدرتName دو قطعه SK Slim Shrink Fit چاک سرپرست ویژه ها تسليم موفق شد دستیابی نگه دار ابزار ۲۰۲۵ نگهبانان ابزار ماشین نگهبان مستطیل با شکل D2 صندلی های چندگانه کمبی شل میل DIN 69871 پایان میل هولدر ویسل ANSI B5.50 هدایت کننده های آداپتور DIN 69893 کالت چاک با UM نات D1D2A نگه دار مستطیل ، زغال چاک ، 3 درجه ، اسليم ، فرم ي ابزار چرخش HSK-T PDUNR | PDUNL 93 °/555 کالت بدون کلوث چاک هیدرولیک HSK ، طراحی قدرتی سرآیندهای شعاعی VDI ، TOEM تاگگ ابزارهای ۲۰۲۵- م نگهبانان ابزار در تولید دستگاه پزشکی: یک مؤلفه ضروری 2025- کارتر آبرش 2025-آنتی ابزارهای 2025- MOD نگه دارنده های ابزار BBT ابزار میلیونگ/ تغییرات CNC کلات با کلوث نگهبان خسته کننده برای فرم دری غیرقابل ورود E1 DIN 69871 مورس تپر DIN 69893 کالت چاک با هکس نات ارالو بريدن ابزارهاي سرد کننده چاک ، 3 درجه ، منظم ، فرم A ANSI B5 ابزار چرخش HSK-T DSBNR | DSBNL 90°/75° هیدرولیک ، کوتاه سر پرونده ، انحراف ، TOEM محصولات نتایج جستجو فهرست اصلی از چوب کاری به فلزات کاری: فرم خسته کننده E2 DIN ۶۹۸۱ آداپر ANSI B5.50 APU DIN 69893 ER کالت چاک با مینی نات آلار چاک ، 3 درجه ، منظم ، فرم B پایان میل ابزار چرخش HSK-T PSBNR | PSBNL 90°/75° SK هیدرولیک ، کوتاه سرآیندهای شعاعی VDI ، انحراف ، TOEM نتیجۀ دیگر جستجویی فهرست زیر طبقه الکترونیک ارتفاع: نگهبانان ابزار برش CNC در سازش PCB حذف ابزار هيدراليک ضربه زدن کالت با کلوث، اینچ فرم بار خسته کننده ای E2S پایان میل هدایت با کانال های سرد DIN 69871 آیندۀ آداپتر ANSI B5 DIN 69893 HSK-A Power چاک ،چاک ، سه درجه ، منظم ابزار چرخش HSK-T DSSNR | DSSNL 45°/ ۹۰° BT هیدرولیک چاک، برای مودد سرپرست ویژه ی اکسیل تولید کنندگان ابزار CNC: افزایش تولید دستگاه پزشکی با دقت و کیفیت نگهبان های دفاعی بی بی بی بی بی بی بی بی بی بی ضی BRIGHT-TOOLs را کوچک کردند فرم کلت چاک E3 پایان میل هولدر ویسل ANSI B5.50 : DIN 69871 دره چاک آداپتور کوچک چاک، منحن ابزار چرخش HSK-T PSSNR | PSSNL 45°/90° SK هیدرولیک چاک برای مودل HSK Power میلینگ چاک سرآیند شعاعی VDI ، STEPPED HAAS افزایش تولید با تکنولوژی چاک چاک آداپتور مورس تپر DIN 69871 APU دریچ چاک ANSI B5.50 چرخش در نقاشی میلیونگ DIN 69893 اوز کالت چاک اورژانس کالت چاک فرم E4 ابزار چرخش HSK-T DVPNR | DVPNL 117.5 ° / 355 ° DVPNL هیدرولیک چاک HSK برای مودد برگزیدن طول مجرای MQL1 بی تی چاچ چاک چاک سر ضربه ، انحراف ، STEPPED HAAS درباره نگه دارنده ابزار هیدرولیک آداپتور تب با میله ترسیمName DIN 69871 دره ی دقیق چاک "آنزی بی ۵۵ هزار برنده ی میلینگ" DIN 69893 TG کالت چاک ابزار چرخش HSK-T DVUNR | DVUNL 93 ° / 355 ° DVUNL SK هیدرولیک چاک ، برای پیرد صداي بار خسته کننده دوبرابر، درسته تنظیم تدارک زغال زغال MQL1 دو قطعه اسکي اسليم کوچک جور به چاک سر گردش شعاعی VDI ، انحراف ، STEPPED HAAS نقش نقش چاکس در دقت CNC. آداپتر آداپتور فلنج قابل تنظیم BBBT DIN 69871 چرخش تغییر سریع ANSI B5 دين 69893 اسکري پرتگاه کالت چاک ابزار چرخش HSK-T DVNN 72.5 ° / ۷۲.5 رئیس رئیس بیم ام، دین 1809 پاک هیدرولیک MTB صداي بار خسته کننده، چپ برگزیدن طول مجرای MQL2 کوچک چاک در ماشین برتری قالب اداپ تپر دریل چاک آداپتور DIN 69871 گنده نگهبانان ابزار قابل تنظیم ANSI B5.50 UM DIN 69893 کالت چاک بکش عقب ابزار چرخش HSK-T DWLNR | DWLNL ۹۵ درجه / ۸۰° سرپرست وی دی دی ۱۸۹۰ تنظیم تدارک زغال زغال MQL2 چاک هیدرولیک، پیمانه اچ اسکی-A چاک چاک، منحنیه بررسی مزیت های کوچک نگهبان APU درین چاک نگهبانهاي ابزار چيه؟ قالب خالی مستطیلی A1 DIN 69871 چرخش در نقاشی میلینگ، مستقیم ابزار هم ترازی ANSI B5.50 برای دست ATC DIN 69893 اسکس کالت چاک ابزار چرخش HSK-T PWLNR | PWLNL ۹۵ درجه / ۸۰° سرپرست وین دی دی 5480 هیدرولیک کالت، مهر شد کوچک کردن فیت چاک ، پیمانه اچ اسکي چاک چاک کوچک شدن برای موفقیت: کوچک چاک در تولید هوای حرکت دقیق چاک بررسی دقت نگه دار ابزار کوچک شدنی گرمایی قالب خالی A2 DIN 69871 آداپتر ANSI B5.50 بار خسته کننده ست DIN 69893 هیدرولیک کالت سرپرست VDI ، DIN 5422 اچ اسکی-F چاک چاک، منحنیه فراتر از تحمل محکم: کالج های در مهندسی هوا آرbor آزمایش BBT اسپیدل جمع کردن نگه دار ابزار اندازه قطع کردن مقدس ابزارهای قابل تنظیم ارتفاع راست تغییر سریع برق نگهبانان ابزار قابل تنظیم DIN 69871 UM ANSI B5 DIN 69893 ابزار چرخش HSK-T DDQNR | DDQNL 107.5 ° / 55 سرپرست ویندی جشن هیدرولیک با کانال های خنک کننده کلاس های جمع آوری: انقلاب دقیق تولید خودکاری گندش بزنن نگهبانان ابزار مفید جمع و جوشی قطع کردن مقدس ابزارهای ارتفاع قابل تنظیم ارتفاع چپ DIN 69871 DIN 69893 ابزار چرخش HSK-T PDQNR | PDQNL 107.5 ° / 55 سرپرست ویندی ابزار هم ترازی ANSI B5.50 برای دست ATC کالسکه هایی را کوچک کردن: انقلاب سازی ماشین دقیق نگه داشتن ابزار هیدرولیک برش خاموش نگه دارنده های ابزار معکوس به ارتفاع راست ، قابل تنظیم شده DIN 69871 آربر آزمايش اسپيدل DIN 69893 انتهای ملل هولدن گندش بزنن ابزار چرخش HSK-T SCLCR | SCLCL 95°/80° دو قطعه ي اچ اسکي-A اسليم چرک کوچک کردن کالج ها در ساختمان و زیر سازی آداپر جمع کردن نگه داشتن ابزار اندازه قطع کردن ابزار هماهنگی DIN 69871 برای دست ATC DIN 69893 انتهای میل هولدر با کانال های کولونت ابزار چرخش HSK-T دانش آمریکا DIN 69893 پایان میل هولدر ویسل ابزار چرخش HSK-T SDHCR | SDHCL 107.5 ° / 55 ابزار تنظیم SK برای دست ATC طبقه بندی نگهبانان ابزار کوچک شدنی گرمایی تعادل پویای بازرسی CMM قالب وصلۀ محافظ Z2 ابزار ترازی برای دست ATC ابزار چرخش HSK-T SDNCN 62.5 °/55/62.5 چاک هیدرولیک، پیمانه IMTS 2024. بار خسته کننده DIN ۶۹۸۳ آداپتور تب با میله ترسی ابزار چرخش HSK-T SDJCR | SDJCL 93 ° / 55 کوچک فیت چاک اصول و مزایای نگهبانان ابزار گرمان آرbor آزمون اسپیدل DIN 69893 هزاران ابزار آداپتور ابزار چرخش HSK-T پاک هیدرولیک اجرای و کاربرد هزینه های هیدرولیک DIN 69893 دریل ابزار چرخش HSK-T SSBCR | SSBCL ۷۵ درجه / ۹۰° ابزار تنظیم BT برای دست ATC اورژانس کالت چاک ویژگی ها و نوعهای نگهبانان ابزار BMT BRIGHT فرآیند ماشینی مقدس ابزار هیدرولیک DIN 69893 حرکت دکتر چاک ابزار چرخش HSK-T SSSCR | SSSCL 45°/ ۹۰° دو قطعه ي اچ اسکي-آ اسليم سيرپ با چاک، نخست زدن دستگاه پاک سازی مقدس ابزار پایان میل مرکز چرخش و نگهبانان ابزار رانده نگهبان ابزار درآورده شدن برتری چگونه است اورژانس کالت چاک بریگت DIN 69893 تغییر سریع ابزار چرخش HSK-T حذف ابزار اصل کاری مقدس ابزار HSK E50 انواع ابزارهای HSK نگهبان ابزار آدات پرر اورژانس کالت DIN 69893 گنده SVUBR ابزار HSK-T چرخش | SVUBL | SVUCR برتری و تحلیل برنامه های برق پایگاهی ماشین های جوری نگهبانان ابزار ER چگونه پردازش و استفاده می شوند ؟ DIN 69893 چرخش در صدا ابزار چرخش HSK-T برتری و برنامه های جمع آوری کوچک DIN 69893 آداپتر ابزار چرخش HSK-T SVJBR | SVJBL | SVJCR | SVJCL 93 ° / 355 ° ۳ خصوصیات و عملکردهای نگهبانان ابزار راننده DIN 69893 UM ابزار چرخش HSK-T SDQCR طولانی | SDQCL 107.5 ° / 55 خصوصيات هيدروليک چاک چيه؟ اصل عمليات هيدروليک چاک چطوري کار ميکنه؟ ابزار هماهنگی DIN 69893 برای دست ATC ابزار چرخش HSK-T SVQCR طولانی | SVQCL 107.5 ° / 55 کاربرد تابوها از مجموعه هیدرولیک نصب DIN 69893 دو قطعه ي اچ اسکي-E اسليم چروک نگهبانان ابزار افکن چیه؟ DIN 69893 دو قطعه HSK-F اسلیم کوچک فیت چاک طراحی نوآوری و کاربرد نگهبانان ابزار کوچک شدن گرمایی کاربرد حمایت های کوچکی گرما در ماشین جمعی برگزیدن هزینه CNC DIN 69893 (ISO 12164) نگهبانان ابزار HSK-E مزایای استفاده از نگهبانان ابزار VDI در تغییر CNC ابزار ماشینی CNC نگهبانان ابزار HSK-F DIN 69893 (ISO 12164) برنامه نمونه های هیدرولیک نگهبانان ابزار DIN69893 (ISO12164-1)- HSK- T خلاصه از مرکز دانش در مورد هزینه های هیدرولیک کوچک کردن فیت چاک بریگت نگهبانان ابزار DIN2080- NT هیدرولیک: یک ابزار عالی برای تولید BRIGHT نگهبانان ابزار GOST 25827- 93 دانش مربوط به نگهبانان CNC است هیدرولیک میلینگ چاک مقایسه اجرای انواع متفاوت کوچک فیت چاک میدونی که ابزار حرارت چه شکلیه؟ جمعی 25827-93 کالت چاک طراحی ساختار ابزار BBT و کاربرد آن روی ابزارهای ماشین CNC GOST 25827-93 قدرت میلینگ چاک عملیات امن و نگهداری برای نگهداری ابزار کوچک کردن گرمایی گِست پاور میلینگ چاک تحلیل تفاوت و برنامه نگه داشتن ابزار انبار و هیدرولیک طبقه بندی های نگهبانان ابزار کوچیک قابل حرارت چیست؟ تفاوت بین نگهبانان ابزار BT و BBT طبقه بندی فیت چاک از نگهبانان ابزار کوچیک قابل گرمایی نگهبان هاي عمومي 25827-93. اصل کاری و عملیات امن هیدرولیک گرا 25827-93 صدای کمبی میل اصول و مزایای نگهبانان ابزار کوچک کردن گرمایی DIN 69893 (ISO 12164) HSK-F کالت چاک GOST 25827-93 ولدون چگونه می توانید پردازش امنیت را هنگام استفاده از یک مقدس ابزار HSK را اطمینان دهید ؟ DIN 69893 (ISO 12164) HSK-F OZ کالت چاک GOST 25827-93 مورس تپر ساختار و مزایای نگهبانان ابزار HSK DIN 69893 (ISO 12164) GOST 25827- 93 نگهبان ابزار HSK: سلاح سری برای ماشین موثری DIN 69893 (ISO 12164) GOST 25827-93 دریل چاک حداقل طول نگهبانان ابزار کوچک کردن حرارت چیست؟ دستیابیهای ابزار نگه دارنده های ابزار چاک کوچک DIN 69893 (ISO 12164) GOST 25827- 93 تابع و اهمیت دارای ابزار VDI نگهبانان ابزار گرما چگونه کار می کنند؟ DIN 69893 (ISO 12164) نگه دار ابزار هیدرولیک: انتخاب عالی برای ماشین مسیح DIN 69893 (ISO 12164) ابزارهای روشنایی: یک رهبر در سازمان تولید ابزاری DIN 69893 (ISO 12164) استاندارد و تابش های لزوم HSK CIMT2025 چینا تفاوت ها بین ذخیره ی BT و مقدس ابزار SK برتری ها و اصول های نگه دارنده ابزار کوچک شدن گرمایی ویژگی ها و مزیت های مقدس ابزار SK نگه دار ابزار DIN 69880 VDI: انتخاب مناسب برای ماشین دقت بانک طراحی ابزار HSK در برابر DIN 69871 نگه دارنده ابزار: تفاوت واقعی چیست؟ EMO 2025 بوث شماره هال 4، D58. چگونه شیک های هیدرولیک کار میکنند تا زندگی CNC شما را آسان تر کند چگونه شناسایی انواع هدایت ابزار HSK مختلف برای کاربردهای CNC خدمات ها
ابزارهای روشن ، آینده روشنی
پست الکترونیکی: :
Sales@bright-tools.com
تلفن: :
86-534-8127588
مسابقه: :
86-534-8127588
اسکایپ: :
اسجینجی ۱۰۱
نشانی :
253000، خيابون پنجم چونگد، گاوتي نيو، دزو، شاندانگ